Looking over my 1934 RP Saloon for the first time as I had not meddled with Austin Sevens for about 30 years, certain memories came through the mist.
One was the 'open' tool boxes under the front seats.

It was when I was looking through Rinsey Mills book, ‘Original Austin Seven’ (recommended) that I saw a picture of a tool box cover and knew what was missing from the car.
When 'CG' arrived, it still had it's covers in the car, so I set about making two new pairs. From the photo's it will be seen one has a 'finger' hole in it, this one goes under the passenger seat.

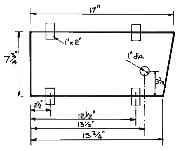
The covers are made from 1/4" (6 mm) ply and the metal tabs are 2" x 1". See drawing for all other dimensions. Rinsey Mills shows they had a very brief application of paint, but mine seem to have a good thick layer.
This article, written by Sandy Croall, originally appeared in CA7C Seven Focus.