I have always experienced some clutch judder on taking off, especially in reverse. Some thought it was oil on the clutch and suggested pouring Fullers Earth into the bell housing. I didn't fancy doing that so reconciled myself to removing the gearbox and relining the clutch.
In conversation with another CA7C member one day I mentioned the problem and he told me that it wasn't the clutch and that I should examine the joint where the prop shaft joins the pinion to the back axle. He suggested that I tighten up the castellated adjusting nut which holds the ball race into the joint. So I removed the holding bolts and gently tightened the nut using a hammer and cold chisel. This I managed through the inspection window on the transmission tunnel. The nut didn’t move far, so I replaced the holding bolts and examined the joint. It all seemed very wobbly and I suspected that the universal joint at the end of the prop shaft was worn.

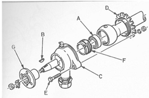
I removed the prop shaft. Examination on the bench and in the vice showed no movement in either joint so I went back under the car to examine the torque tube end. There was a definite wobble in the flange which fits onto the pinion. I found that the nut securing it was finger tight and half way along its thread. I removed the nut and the flange fell off the pinion complete with the woodruff key that slots it in place.
There was a lot of grease which I cleared away and thoroughly
degreased the tapered pinion end.

Its very tricky to replace the woodruff key, practically impossible from underneath the car as when you pop it into place it promptly falls out. So I turned the back wheel and moved the pinion so that the slot was at the top. It still isn't easy to place the key as the slot hides underneath the cowl of the bearing nut. So I used a blob of Loctite 660 to hold it in place. And with some maneuvering I managed to slide the flange back on the pinion. Loctite 660 is an anaerobic substance which hardens in the absence of air. I have previously used it to fix hubs on the gouged ends of half shafts. I smeared some over the inside of the flange and tightened the nut.
I left it for a few days before I refitted the propshaft and tested. No judder! the advice was spot on. I’m grateful for it as I was already pricing up a new clutch and getting prepared to remove the gearbox.
There’s always help there if it’s needed from the Austin Seven community. Best used before you open your wallet!
This article, written by Viv Gale, originally appeared in CA7C Seven Focus in March 2022 pp 8 - 9
See also:
Hardy Spicer Propshaft Overhaul
Propshaft Howl - cause and cure
Propeller Shafts and Universal Couplings